本網站使用cookies等相關技術以持續優化網站服務,並有助於為您提供更佳的體驗,當您繼續使用本網站即表示您同意我們的Cookie使用政策。
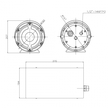
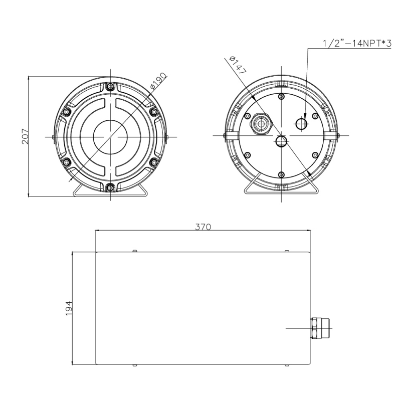
支架為選配
支架為選配
防爆等級 |
|
| 防爆標記 | EX |
| 氣體防爆型式 | d |
| 粉塵防爆類型 | tD(ta,tb,tc) tb |
| 危險氣體分類 | IIC |
| 危險粉塵分類 | IIIC |
| 氣體溫度等級 | T6 |
| 粉塵溫度等級 | T85℃ |
| 氣體危險場所 | Gb |
| 粉塵危險場所 | Db |
| 防護等級 | |
商品規格 |
|
| 本體尺寸(mm) | Ø 190 長(L) 370 寬(W) 194 高(H) 207 |
| 電壓(V) | AC110~240V, DC12V |
| 工作溫度(℃) | -20~+40 |
| 產品來源 | 台灣製造 |